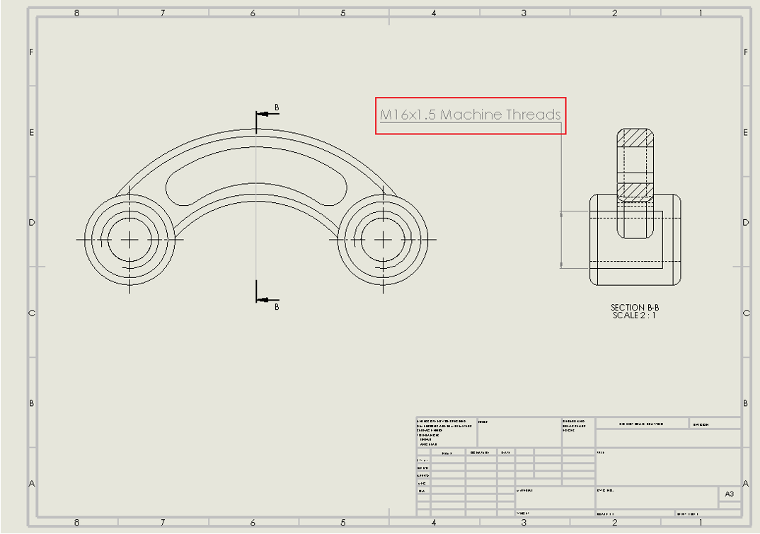
Πώς να μεταφέρετε την πληροφορία του Cosmetic Thread σε ένα αρχείο Drawing στο SolidWorks
Στον κόσμο της μηχανολογικής σχεδίασης, η διακριτική απεικόνιση των σπειρωμάτων είναι απαραίτητη για την κατανόηση και την παραγωγή των μηχανολογικών μοντέλων. Στο SolidWorks, υπάρχει ένας εύκολος τρόπος για να μεταφέρετε την πληροφορία ενός σπειρώματος απευθείας σε ένα αρχείο Drawing, χρησιμοποιώντας τη λειτουργία “Cosmetic Thread”.
Για αρχή, σιγουρευτείτε ότι το σπείρωμα που θέλετε να μεταφέρετε απεικονίζεται στο μοντέλο σας με την εντολή “Cosmetic Thread” και όχι με την εντολή “Thread”. Έπειτα, ακολουθήστε τα παρακάτω βήματα:
ΒΗΜΑ 1
Επιλέξτε το σπείρωμα που έχετε δημιουργήσει με την εντολή “Cosmetic Thread”.
ΒΗΜΑ 2
Ενεργοποιήστε το option “Show Type” από το Property Manager της εντολής “Cosmetic Thread”.
Τώρα που έχετε ενεργοποιήσει την πληροφορία του “Cosmetic Thread”, μπορείτε να τη μεταφέρετε σε ένα αρχείο Drawing. Ακολουθήστε τα εξής βήματα:
ΒΗΜΑ 3
Εισαγάγετε τις απαραίτητες όψεις μέσα στο περιβάλλον του Drawing.
ΒΗΜΑ 4
Επιλέξτε την όψη που θα χρησιμοποιηθεί ως αναφορά. Αυτή η όψη πρέπει να βρίσκεται σε Display Style “Hidden Lines Visible (HLV)” ή “Wireframe”.
Με αυτά τα βήματα, μπορείτε να μεταφέρετε απρόσκοπτα την πληροφορία του “Cosmetic Thread” στο αρχείο Drawing σας, βοηθώντας στην ευκολότερη κατανόηση των μηχανολογικών σχεδίων.

About the Author
Ο Χαράλαμπος Παπαδόπουλος είναι κάτοχος BSc. Mechanical Engineering και υποψήφιος MSc. σε Advanced product Design engineering and Manufacturing, με ειδικότητα στη χρήση λογισμικών πακέτων CAD/CAM για τρισδιάστατο σχεδιασμό και παραγωγή μηχανικών συστημάτων και προϊόντων. Με το ρόλο του ως Application Engineer, συμβάλλει καθημερινά στην επίλυση τεχνικών ζητημάτων και στη δημιουργία-απόδοση εξειδικευμένων λύσεων σε διαφορετικούς βιομηχανικούς τομείς. Επιπλέον, όντας πιστοποιημένος χρήστης σε πολλαπλούς τομείς των λογισμικών SOLIDWORKS και 3DEXPERIENCE, αποτελεί βασικό μέλος του εκπαιδευτικού δυναμικού της INNOVATION ERA.
